產品介紹
咨詢服務熱線:13957717877
產品概述
資料下載
相關產品
相關資訊


為何選擇GRP8型PTC馬達保護繼電器? |
GRP8型PTC馬達保護繼電器以高可靠性、靈活配置和緊湊設計為核心,結合智能化功 能與寬適應性,成為工業電機保護領域的理想選擇。其通過溫度直接監測技術,有效規避 傳統保護裝置響應滯后的問題,為電機設備在復雜工況下的安全運行提供雙重保障,助力 用戶降低維護成本,提升生產效率。 |
GRP8型PTC馬達保護繼電器產品特點: |
1、?精準溫度監測與保護? - 配備1組PTC輸入端子,支持直接連接PTC熱敏電阻傳感器,實時采集電機溫度信號。 - 內置傳感器回路斷線檢測功能,當傳感器線路故障時立即觸發保護機制,避免因信號 丟失導致保護失效。 |
2、?靈活的輸出配置? 提供1組或2組輸出觸點可選規格(如1常開+1常閉或2組轉換觸點),適配不同控制系 統的需求,實現報警、斷電或多級聯鎖保護。 |
3、?智能化工作模式? 支持2種可切換工作模式(例如自動復位/手動復位、預警+跳閘雙級保護等),用戶可 根據現場工況靈活設定,提升保護策略的適應性。 |
4、?寬電壓兼容性與便捷操作? - 采用AC/DC 24V-240V超寬工作電壓設計,兼容全球主流工業電源標準,降低用戶選 型復雜度。 - 支持外接復位按鈕,便于現場快速恢復設備運行,減少停機時間。 |
5、?緊湊設計與可視化監控? - 超小體積設計,寬度僅18mm,支持35mm標準卡軌安裝,節省控制柜空間。 - 內置LED指示燈,直觀顯示繼電器工作狀態(如電源、故障、動作指示),便于運維 人員快速排查問題。 |
GRP8型PTC馬達保護繼電器產品應用: |
GRP8型繼電器在以下嚴苛環境中展現保護性能: |
1、?高開關頻率電機?:頻繁啟停導致繞組溫升過快時,精準觸發保護動作。 |
2、?過載與缺相工況?:通過溫度監測間接識別電流異常,彌補傳統電流保護的盲區。 |
3、?高溫環境與散熱不良?:如冶金、化工等高溫車間或密閉機柜內,防止電機因散熱不 足而燒毀。 |
4、?長周期連續運行設備?:例如生產線傳送電機、冷卻水泵等,提供持續穩定的過熱防 護。 |

GRP8型PTC馬達保護繼電器型號說明: |

GRP8型PTC馬達保護繼電器技術參數: |
| 型號 | GRP8-01 | GRP8-02 |
| 功能 | PTC馬達保護繼電器 | |
| 電源端子 | A1-A2 | |
| 額定控制電源電壓 | AC/DC 24-240V 50/60Hz | |
| 消耗功率 | AC0.09-3VA/DC 0.05-1.7W | |
| 電源允許波動范圍 | -15%;+10% | |
| 電源指示燈 | 綠色LED | |
| 輸出繼電器指示 | 紅色LED | |
| 額定沖擊耐受電壓 | 2.5kV | |
| 額定絕緣電壓 | 250V | |
| 冷端PTC阻值 | 1500Ω | |
| 動作PTC阻值 | 3100Ω±10% | |
| 恢復PTC阻值 | 1650Ω±10% | |
| 短路阻值 | 0 to10Ω | |
| 輸出觸點參數 | 1組延時轉換 | 2組延時轉換 |
| :Ith:10A;AC-15:Ue/le:250V/2.5A | ||
| 小切換功率 | 500mW | |
| 機械壽命 | 1×107 | |
| 電壽命(阻性負載) | 1×10? | |
| 復位時間 | 200ms | |
| 工作環境溫度 | -20℃~+55℃ | |
| 存儲和運輸環境溫度 | -35℃~+75℃ | |
| 安裝方式 | 35mm卡軌安裝 | |
| 防護等級 | IP20 | |
| 安裝位置 | 任意 | |
| 安裝海拔高度 | ≤2000米 | |
| 污染等級 | 2 | |
| 接線能力 | 1×2.5mm2或2×1.5mm20.4N ·m | |
| 外形尺寸 | 90mm×18mm×64mm | |
| 重量 | 62g | 82g |
| 符合標準 | GB/T14048.5,IEC60947-5-1 | |

GRP8型PTC馬達保護繼電器產品面板: |


當旋鈕設置在如圖所示的錯誤位置,紅綠指示燈會閃爍提示錯誤,同時斷開輸出繼電器。 |
GRP8型PTC馬達保護繼電器產品尺寸: |


GRP8型PTC馬達保護繼電器產品功能: |

在“memory”模式下,當檢測到PTC阻值超過3100?時,繼電器鎖定在11-14(21- 24)打開位置。一旦PTC阻值恢復到正確值(小于1650?并且大于10?),繼電器可以通過按 下“Test/Reset”按鍵來解鎖(至少200ms),或通過在端子Y1和T1之間閉合無電壓觸點 (至少200ms)。當檢測到PTC阻值恢復到正確值小于(小于1650?并且大于10?),繼電器 可以按下“測試/重置”按鈕解鎖(重置)。 |

在“No Memory模式下,當檢測到PTC阻值超過3100?時,繼電器鎖定在11-14(21- 24)打開位置。一旦PTC阻值恢復到正確值(小于1650?并且大于10?),繼電器恢復到11- 14(21-24)閉合位置。當PTC阻值處于正常值時,繼電器11-14(21-24)閉合,紅色指示 燈常亮。 當PTC阻值小于10?時,繼電器判斷傳感器短路,繼電器11-14(21-24)打開,紅色指 示燈滅。 |
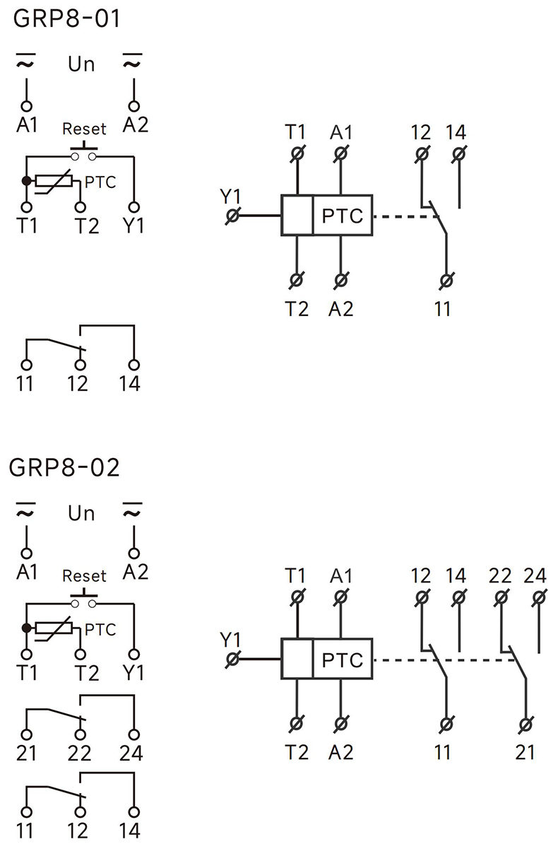
GRP8型PTC馬達保護繼電器產品接線: |


上一個:GRIS8系列隔離繼電器
下一個:GPS8-09型過欠壓保護器
優惠券
我們的微信
13957717877
13957796089