產品介紹
咨詢服務熱線:13957717877
產品概述
資料下載
相關產品
相關資訊


GYL9-B系列漏電斷路器產品特點:
1、雙匯流排接線功能。
2、具有漏電故障指示。
3、接線能力35mm2。
4、產品符合標準:IEC62423、IEC61008.1、GB22794、GB16916.1。
GYL9-B系列漏電斷路器功能及應用:
1、功能:漏電保護。
2、應用:適用于工業、商業、高層和民用住宅等各種場合。
3、該產品對于正弦交流剩余電流、脈沖直流剩余電流、交流剩余正弦電流(高達1000Hz)、脈沖直流剩余電流
和平滑的直流剩余電流(無論是突然施加還是緩慢增加),可靠動作。

GYL9-B系列漏電斷路器面板指示:




GYL9-B系列漏電斷路器產品詳情:


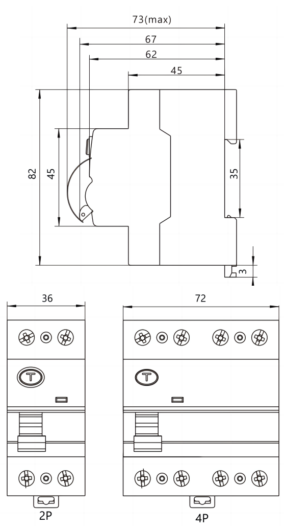
GYL9-B系列漏電斷路器產品尺寸:


GYL9-B系列漏電斷路器技術參數:
剩余電流動作類型 | B型 | ||
額定電流 | In | A | 25、40、63、80、100 |
Poles | 2P、4P | ||
額定工作電壓 | Un | V | 240/415 |
額定絕緣電壓 | Ui | V | 500 |
工作頻率 | Hz | 50/60 | |
額定剩余不動作電流 | |△no | mA | 0.5 |△n |
額定剩余動作電流 | l△n | mA | 30、100、300 |
直流電流動作靈敏度 | lAndc | mA | 0.5~2I△n |
額定沖擊耐受電壓 | Uimp | V | 4000 |
1分鐘介電耐壓 | V | 2000 | |
額定限制短路電流 | Inc | A | 6、10 |
額定剩余接通和分斷能力 | l△C | A | 6、10 |
額定接通和分斷能力 | lm | A | 500A(25A,40A),或10In(≥63A) |
額定剩余接通和分斷能力 | l△m | A | 500A(25A,40A),或10In(≥63A) |
GYL9-B系列漏電斷路器剩余漏電電流分斷時間:
| 額定電流In(A) | 額定剩余動作電流I△n(mA) | 剩余電流分斷時間(s) | ||
| l△n | 2|△n | 5l△n | ||
| 25、40、63、80、100 | 30、100、300 | 0.1 | 0.08 | 0.04 |

GYL9-B系列漏電斷路器波形圖:

GYL9-B系列漏電斷路器典型應用:

GYL9-B系列漏電斷路器視頻展示:
上一個:GYL9系列漏電斷路器
下一個:GYHO8系列隔離開關
優惠券
我們的微信
13957717877
13957796089