產品介紹
咨詢服務熱線:13957717877
產品概述
資料下載
相關產品


為何選擇GRI8-05系列電流繼電器? |
GRI8-05系列電流繼電器專為電氣系統安全監控設計,集安裝便捷性、功能靈活性與 高兼容性于一體,可提升設備保護效率并降低運維復雜度,是工業自動化、能源管 理等領域的實用型解決方案。 |
GRI8-05系列電流繼電器產品優勢: |
1、免斷電安裝:穿心式結構簡化施工流程 |
2、雙模式可調:自由切換過流/欠流監控 |
3、寬適應性:交直流兼容,電壓范圍覆蓋廣 |
4、擴展性強:支持外接互感器擴展量程 |
5、緊湊省空間:18mm超薄機身,適配高密度柜體 |
GRI8-05系列電流繼電器產品特點: |
1、穿心設計 - 無需斷開主回路即可完成安裝,大幅減少接線工作量,提升操作安全性。 |
2、智能模式配置 - 通過跳線器靈活設定過流或欠流監控模式,滿足多樣化保護需求。 |
3、交直流通用檢測 - 提供交直流兩用規格選項,適應不同供電環境下的電流監測場景。 |
4、量程擴展能力 - 內置隔離互感器,同時支持外接電流互感器,有效擴展監控電流范圍。 |
5、寬壓電源兼容 - AC/DC 24~240V寬幅電源輸入,增強設備部署靈活性。 |
6、可視化狀態管理 - 高亮LED指示燈直觀呈現繼電器工作狀態,便于現場快速診斷。 |
7、空間優化 - 僅18mm寬度的超緊湊設計,節省控制柜安裝空間。 |
GRI8-05系列電流繼電器產品特點: |
本系列繼電器適用于以下關鍵領域: |
1、設備電流異常監控 - 實時檢測電機、變壓器、變頻器等設備的過流/欠流故障,預防繞組過熱或空載損 耗。 |
2、配電系統安全防護 - 對配電柜、分支回路進行電流越限保護,避免線路過載引發的安全隱患。 |
3、能源管理系統 - 集成于能耗監測網絡,實現負載運行狀態分析及非正常工況預警。 |
4、自動化產線保護 - 保障生產線關鍵設備在設定電流范圍內穩定運行,減少意外停機風險。 |
5、擴展型監測方案 - 通過外接互感器,可監控大電流系統(如發電機組、母線槽等)。 |

GRI8-05系列電流繼電器型號說明: |
|
代號 | 功能描述 |
A | 交流檢測型 |
B | 交直流檢測型 |
GRI8-05系列電流繼電器型號說明: |
型號 | GRI8-05A | GRI8-05B |
功能 | 交流檢測 | 交直流檢測 |
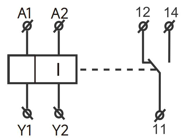
電源端子 | A1-A2 | |
額定電源電壓 | AC/DC 24V-240V | |
額定電源頻率 | 50/60Hz,0 | |
消耗功率 | max 1.5VA | |
電源允許波動范圍 | -15%;+10% | |
電流設置范圍 | 2A-20A | 2A-20A |
測量電流頻率 | AC 50Hz | AC 50Hz,DC |
電流設定方式 | 旋鈕設定 | |
動作延時時間 | ≤0.1s | |
電源指示燈 | 綠色LED | |
設定精度 | 10% | |
電流測量精度 | 5% | |
溫度波動誤差 | <0.1%/℃ | |
滯后值 | 5% | |
輸出 | : Ith:10A;AC-15:Ue/le:250V/2.5A | |
小切換功率 | 500mW | |
輸出繼電器指示 | 紅色LED | |
機械壽命 | 1×10? | |
電壽命(阻性負載) | 1×10? | |
工作環境溫度 | -20℃~+55℃ | |
存儲和運輸環境溫度 | -35℃~+75℃ | |
安裝方式 | 35mm卡軌安裝 | |
防護等級 | IP20 | |
安裝位置 | 任意 | |
安裝海拔高度 | ≤2000米 | |
污染等級 | 2 | |
接線能力 | 1×2.5mm2或2×1.5mm20.8N ·m | |
外形尺寸 | 90mm×18mm×64mm | |
重量 | 73g | 75g |
符合標準 | GB/T14048.5,IEC60947-5-1 | |

GRI8-05系列電流繼電器產品面板: | |
GRI8-05A,交流監測 | GRI8-05B,交直流監測 |
|
|
GRI8-05系列電流繼電器產品尺寸: | |
GRI8-05A | |
| |
GRI8-05B | |
| |

GRI8-05系列電流繼電器產品功能: |
|
注:出廠默認Y1-Y2無短接,產品為過流監測,如需要欠流監測,請用戶短接Y1-Y2。 |
GRI8-05系列電流繼電器產品接線: |
|
被監測電流≤20A |
|
被監測電流>20A,通過CT變換為二次電流 |
|
注:GRI8-05B檢測直流時注意穿心方向,否則無法準確檢測,如電流小于2A,可以采 用多次穿心的方式。 |
優惠券
我們的微信
13957717877
13957796089