產品介紹
咨詢服務熱線:13957717877
產品概述
資料下載
相關產品
相關資訊


為什么選擇GR5-38F大功率新能源系列電磁式透明繼電器? |
在新能源、工業自動化等復雜工作環境中,設備常面臨沖擊、振動及大電流挑戰。 GR5-38F繼電器憑借其堅固的物理結構、強大的電流切換能力以及靈活的安裝配置,確 保了在嚴苛條件下的長效穩定運行。選擇GR5-38F,即是選擇了為關鍵電路提供的一份 可靠保障。 |
GR5-38F大功率新能源系列電磁式透明繼電器產品優勢: |
1、穩定可靠:結構牢固,具備出色的抗沖擊與抗振動性能,使用壽命長。 |
2、負載能力強:支持40A與50A兩種大電流負載切換,滿足功率需求。 |
3、配置靈活:可提供2組和3組觸點形式,適應不同的電路控制需求。 |
4、安裝便捷:采用插座式安裝方式,并提供密封型和小靜塊選項,方便維護并適應多種 環境。 |
GR5-38F大功率新能源系列電磁式透明繼電器產品特點: |
1、堅固耐用結構:產品機械結構設計牢固,能夠有效抵御外部沖擊和振動,了在惡 劣工況下的長使用壽命與運行穩定性。 |
2、強大的電流切換能力:提供40A和50A兩檔負載切換電流,能夠從容應對新能源設備 等領域的大功率通斷需求。 |
3、靈活的觸點配置:支持2組和3組觸點安裝形式,為用戶在電路設計上提供了更多的靈 活性和擴展空間。 |
4、便捷的安裝方式:采用插座式安裝,接線與維護簡便高效。同時,用戶可根據實際應 用環境,選擇具有更好防護性能的密封型或緊湊設計的小靜塊型號。 |
GR5-38F大功率新能源系列電磁式透明繼電器產品應用: |
本產品廣泛應用于: |
1、新能源領域:如光伏逆變器、儲能系統、充電樁等設備的電源管理模塊。 |
2、工業控制:自動化設備、電機驅動控制、電源分配單元。 |
3、交通運輸:電動汽車、軌道交通的輔助控制系統。 |
4、其他需要大功率、高可靠性電路切換的工業與商業設備。 |

GR5-38F大功率新能源系列電磁式透明繼電器型號說明: |
|
1、企業代號:格亞電氣 |
2、設計序號 |
3、觸點組數:2、3 |
4、觸點形式:Z轉換;H常開;D常閉 |
5、安裝方式:P:PCB式;無字母:插拔式 |
6、輔助功能:D/CR抑制保護 |
7、線圈電壓:DC為直流AC為交流 |

GR5-38F大功率新能源系列電磁式透明繼電器技術參數: |
接觸電阻 | ≤100mΩ |
電氣壽命 | ≥5×10?次 |
機械壽命 | ≥1×10?次 |
線圈電壓 | DC:6-220V AC:6-380V. |
吸合時間 | ≤25ms; |
釋放時間 | ≤15ms |
同觸點之間 | 1000VAC/1min(漏電流 1mA) |
異觸點之間 | 1500VAC/1min(漏電流 1mA) |
觸點與線圈間 | 2500VAC/1min(漏電流 1mA) |
絕緣電阻 | ≥100MΩ(500VDC) |
環境溫度 | -25℃~+55℃ |
環境濕度 | 35%~80%RH. |
大氣壓力 | 86~106KPa. |
耐沖擊 | 10G(正弦半波脈沖:11ms) |
耐振動 | 10~55Hz雙振幅:1.5mm |
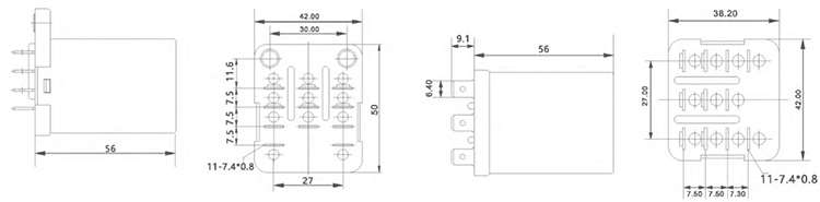
尺寸 | 55.5X50×42mm |
重量 | 約around 130g |

GR5-38F大功率新能源系列電磁式透明繼電器產品尺寸:
|
|
GR5-38F大功率新能源系列電磁式透明繼電器產品接線: |
|
優惠券
我們的微信
13957717877
13957796089