互感器制造商Transformer manufacturer 首頁 產品中心 高壓計量箱系列 干式電流互感器系列 干式電壓互感器系列 油浸式互感器系列 戶外真空專用互感器 零序電流互感器系列 低壓互感器系列 新聞資訊 公司動態 業界資訊 常見問答 應用領域 關于我們 公司介紹 聯系我們 聯系我們
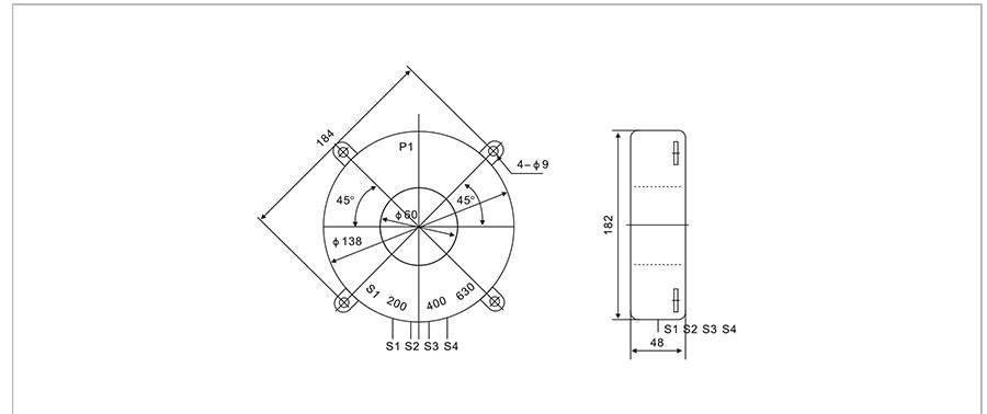
LR(D)-10型電流互感器 產品概述GeneralLR(D)-10型戶外真空專用電流互感器由我公司生產銷售。 產品價格: 全國服務熱線: 150-5897-7878 產品詳情 上一篇 LCWD、LCWD1、LCWQ、LCWQD-35型電流互感器 下一篇 LZW32-10(12)型電流互感器 相關推薦 LZZBJ18-10型電流互感器 LZZJ(Q)B6-10(Q)型電流互感器 JLSZV-10型戶外高壓計量箱 戶外高壓計量箱 戶外高壓計量箱 JLS-3油浸式高壓計量箱